511/7DZ雙觸點壓力控制器
發布時間:2015-01-29 07:31:49 點擊:1294

產品詳細:
簡介:
511/7DZ雙觸點壓力控制器采用波紋管式的傳感器,可用于腐蝕性氣體和液體介質。511/7DZ雙觸點壓力控制器的設定值可調,調節范圍-0.1~6.3MPa。
主要技術性能:
規格:切換差不可調
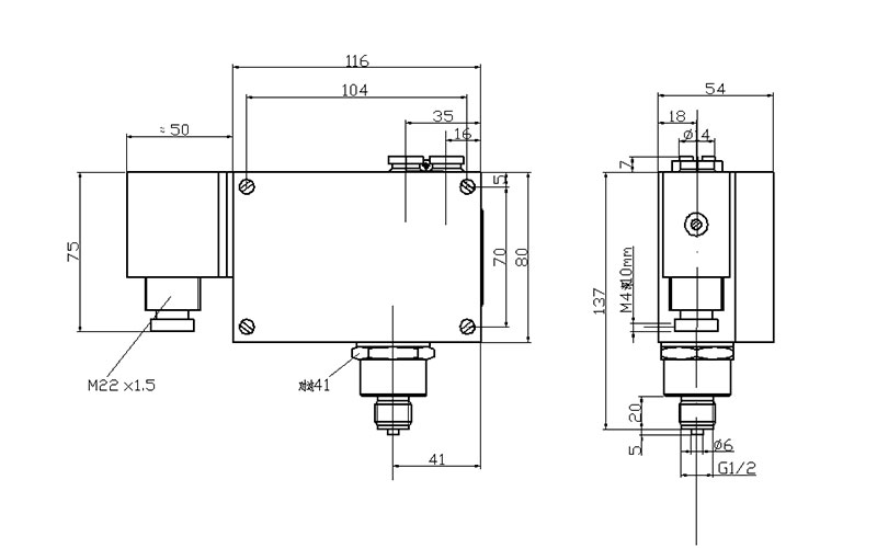
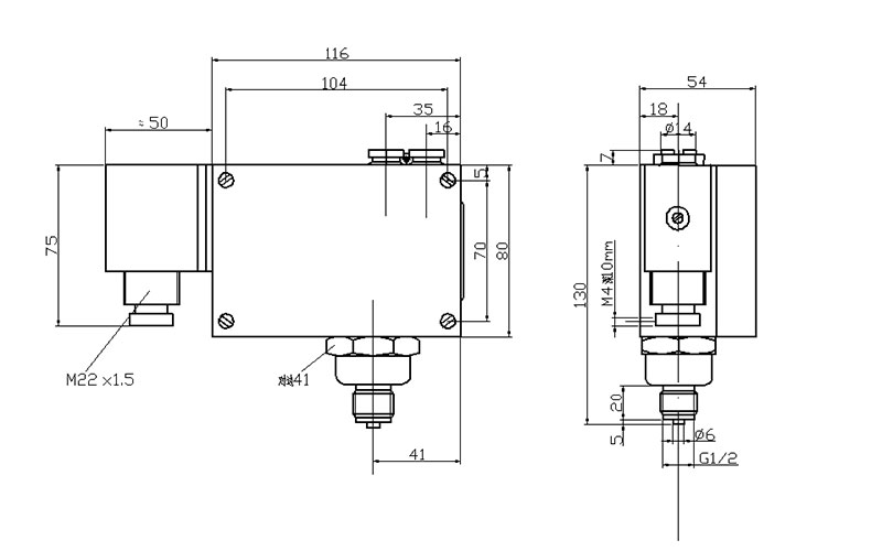
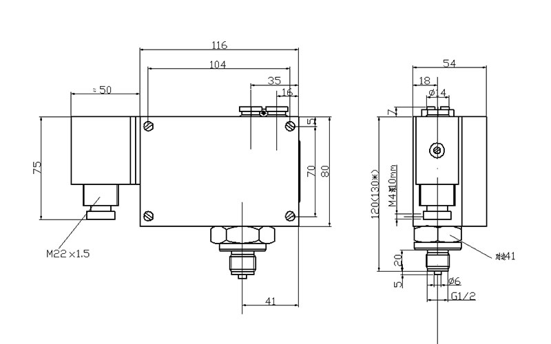
尺寸圖
01
02
03
下一篇:520/7DDZ雙觸點壓力控制器


簡介:
511/7DZ雙觸點壓力控制器采用波紋管式的傳感器,可用于腐蝕性氣體和液體介質。511/7DZ雙觸點壓力控制器的設定值可調,調節范圍-0.1~6.3MPa。
主要技術性能:
規格:切換差不可調
尺寸圖
01
02
03
下一篇:520/7DDZ雙觸點壓力控制器