YTK-18/02隔爆壓力控制器
發布時間:2013-06-26 01:52:16 點擊:1473

產品詳細:
簡介:
YTK-18/02隔爆壓力控制器適用于測量危險的流體介質的壓力并進行位式(一位式或兩位式)控制??刂破魇墙柚鷱椥栽淖饔靡则屖刮娱_關工作的壓力控制儀表??刂破骶哂薪Y構合理,動作準確,使用可靠,開閉頻次高,抗振性好和觸點容量大等優點。兩位式控制器的控制器設有可供調節切換差的裝置,以使被測控介質的上、下切換值可調至合適的控壓范圍內。
主要技術性能:
壓力范圍:
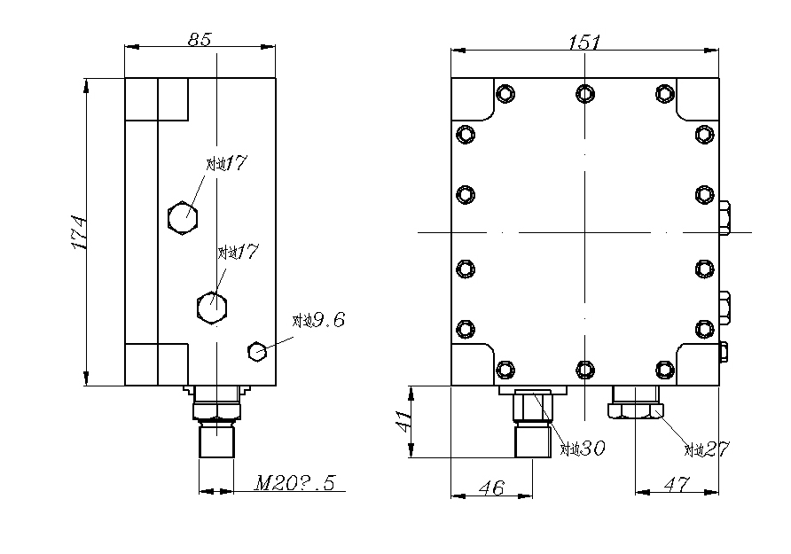
尺寸圖
下一篇:YTK-18H防爆壓力控制器
