540/7DD防爆型差壓壓力控制器
發布時間:2015-01-29 07:39:23 點擊:1393

產品詳細:
簡介:
540/7DD防爆差壓控制器采用波紋管式的傳感器,可用于無腐蝕性的氣體和液體介質。540/7DD防爆差壓控制器的設定值可調,調節范圍0.02~3MPa,其工作壓力范圍0.05~6.3MPa。
主要技術性能:
規格:切換差不可調
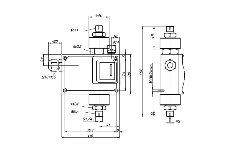
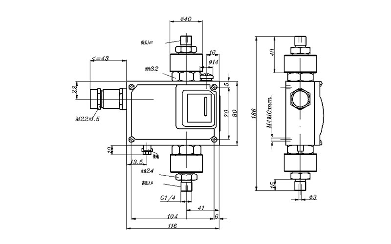
尺寸圖
01
02
03
04
下一篇:YWK-7DD差壓壓力控制器


簡介:
540/7DD防爆差壓控制器采用波紋管式的傳感器,可用于無腐蝕性的氣體和液體介質。540/7DD防爆差壓控制器的設定值可調,調節范圍0.02~3MPa,其工作壓力范圍0.05~6.3MPa。
主要技術性能:
規格:切換差不可調
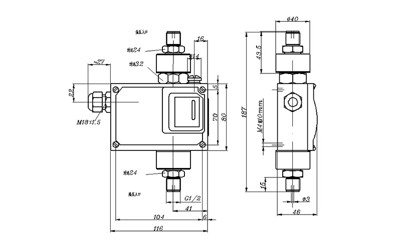
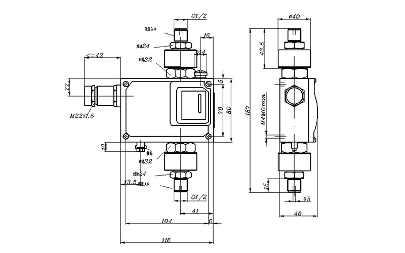
尺寸圖
01
02
03
04
下一篇:YWK-7DD差壓壓力控制器