520/11DD差壓壓力控制器
發布時間:2015-01-29 07:35:57 點擊:1380

產品詳細:
簡介:
520/11DD差壓控制器采用膜片式傳感器,可用于中性氣體、液體介質。520/11DD差壓控制器的設定值可調,調節范圍0.1~25KPa,工作壓力范圍0~50KPa。
特點:
520/11DD差壓控制器能適用于非常低的差壓控制。
主要技術性能:
規格:切換差不可調
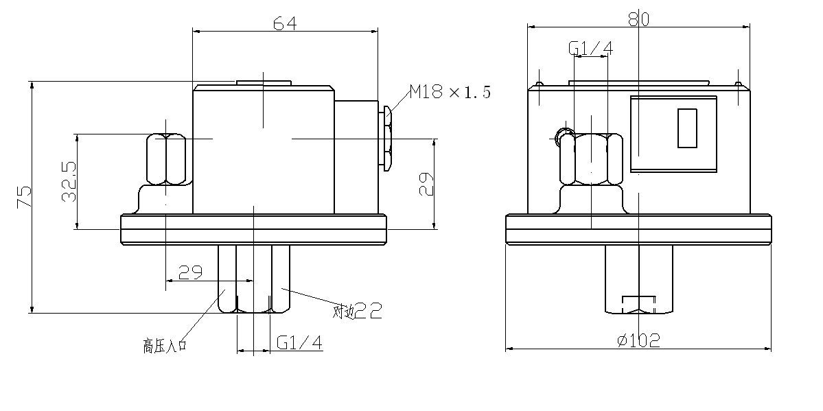
尺寸圖
下一篇:530/7DD差壓壓力控制器


簡介:
520/11DD差壓控制器采用膜片式傳感器,可用于中性氣體、液體介質。520/11DD差壓控制器的設定值可調,調節范圍0.1~25KPa,工作壓力范圍0~50KPa。
特點:
520/11DD差壓控制器能適用于非常低的差壓控制。
主要技術性能:
規格:切換差不可調
尺寸圖
下一篇:530/7DD差壓壓力控制器