501/7D壓力控制器
發布時間:2015-01-29 05:31:18 點擊:1029

產品詳細:
簡介:
501/7D壓力控制器采用膜片式的傳感器,部分規格傳感器外殼材料是不銹鋼,可用于腐蝕性介質,也可用于空氣、氣體、水蒸汽等中性氣體和油等液體介質。控制器的設定值可調,調節范圍0~1MPa。
特點:
501/7D壓力控制器在低壓范圍控制靈敏度高。
主要技術性能:
規格:501/7D切換差不可調
規格:501/7D切換差可調
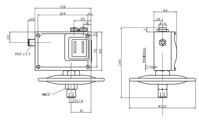
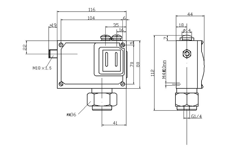
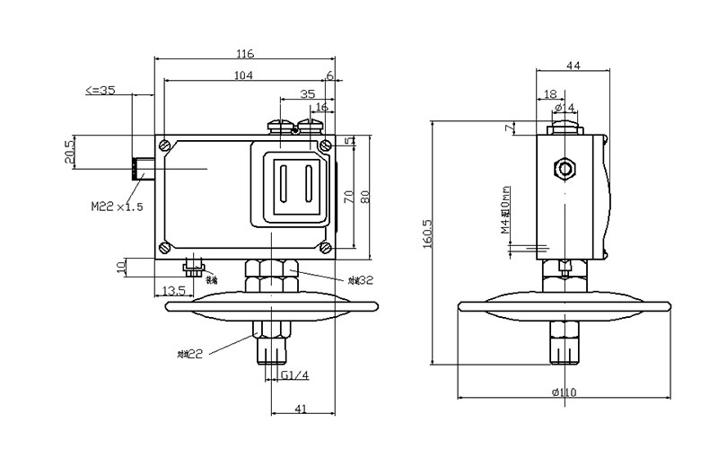
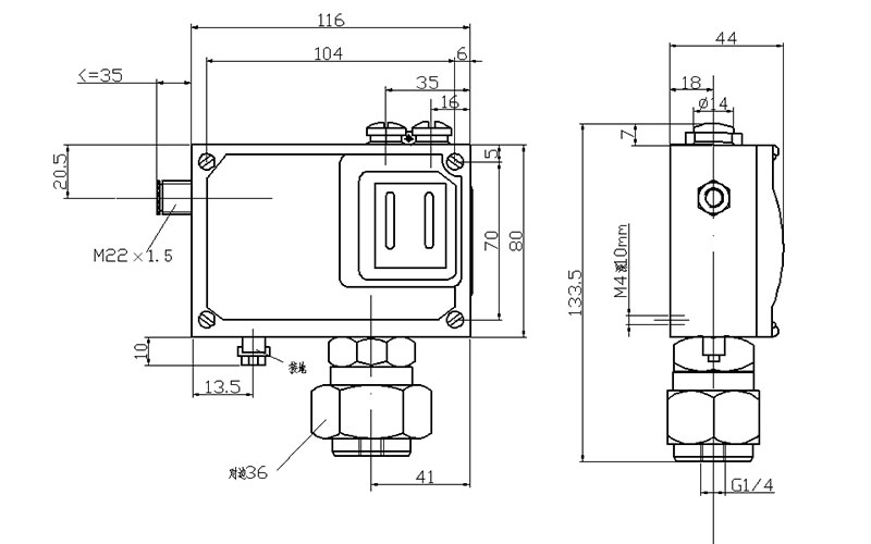
尺寸圖
01
02
03
04
下一篇:504/7D壓力控制器


簡介:
501/7D壓力控制器采用膜片式的傳感器,部分規格傳感器外殼材料是不銹鋼,可用于腐蝕性介質,也可用于空氣、氣體、水蒸汽等中性氣體和油等液體介質。控制器的設定值可調,調節范圍0~1MPa。
特點:
501/7D壓力控制器在低壓范圍控制靈敏度高。
主要技術性能:
規格:501/7D切換差不可調
規格:501/7D切換差可調
尺寸圖
01
02
03
04
下一篇:504/7D壓力控制器